
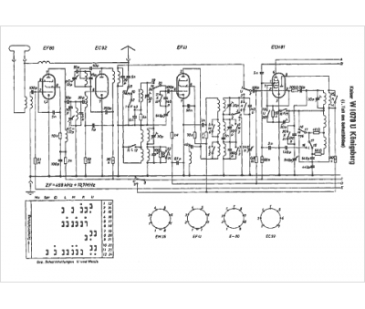
Marque :
Kaiser
Modèle :
W 1070 Danzig
Type appareil :
récepteur à tubes
Pays d'origine :
Allemagne
