
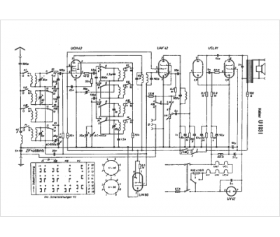
Marque :
Kaiser
Modèle :
U 1031
Type appareil :
récepteur à tubes
Pays d'origine :
Allemagne
