
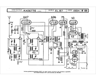
Marque :
Kadette
Modèle :
EL 87
Type appareil :
récepteur à tubes
Année :
1934
Pays d'origine :
États-Unis
