
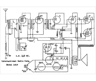
Marque :
Kadette
Modèle :
1019
Type appareil :
récepteur à tubes
Année :
1938
Pays d'origine :
États-Unis
