
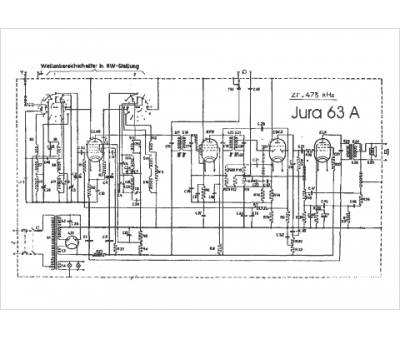
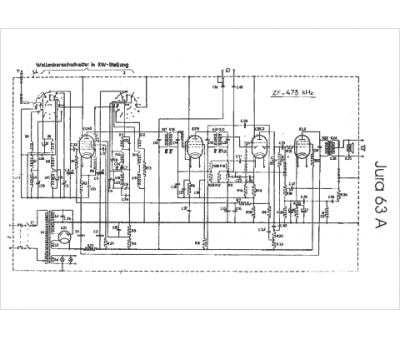
Marque :
Jura
Modèle :
63 A
Type appareil :
récepteur
Pays d'origine :
Suisse
