
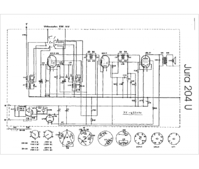
Marque :
Jura
Modèle :
204 U
Type appareil :
récepteur
Pays d'origine :
Suisse
