
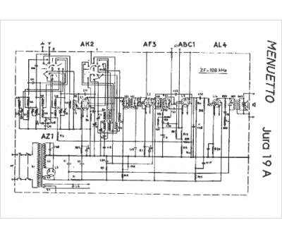
Marque :
Jura
Modèle :
19 A Menuetto
Type appareil :
récepteur à tubes
Pays d'origine :
Suisse
