
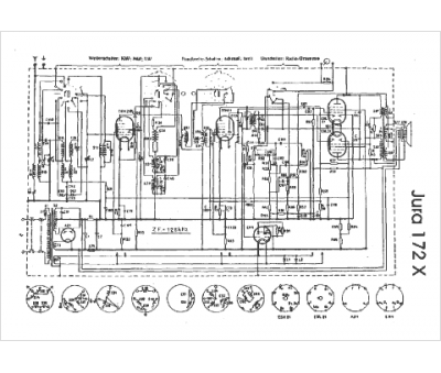
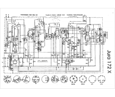
Marque :
Jura
Modèle :
172 X
Type appareil :
récepteur
Pays d'origine :
Suisse
