
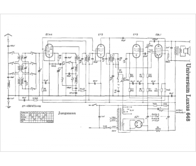
Marque :
Jungmann
Modèle :
Universum Luxus 648
Type appareil :
récepteur à tubes
Pays d'origine :
Allemagne
