
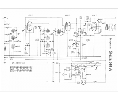
Marque :
Jungmann
Modèle :
Stella 648 A
Type appareil :
récepteur à tubes
Pays d'origine :
Allemagne
