
Marque :
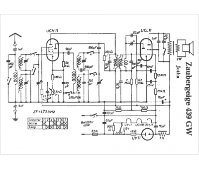
Jotha
Modèle :
Zaubergeige 439 GW
Type appareil :
récepteur à tubes
Pays d'origine :
Allemagne
