
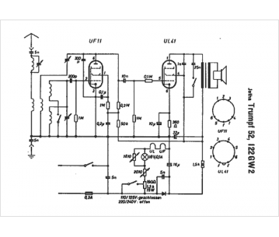
Marque :
Jotha
Modèle :
Trumpf 52 122 GW 2
Type appareil :
récepteur à tubes
Pays d'origine :
Allemagne
