
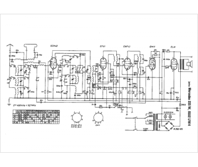
Marque :
Jotha
Modèle :
Mercedes 225 W
Type appareil :
récepteur à tubes
Pays d'origine :
Allemagne
