
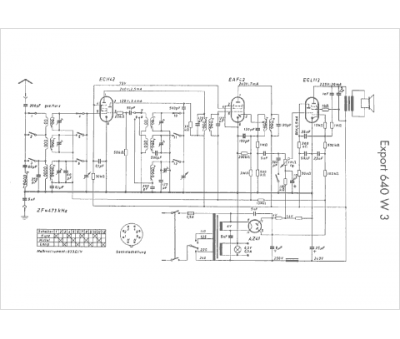
Marque :
Jotha
Modèle :
Esport 640 W 3
Type appareil :
récepteur à tubes
Pays d'origine :
Allemagne
