
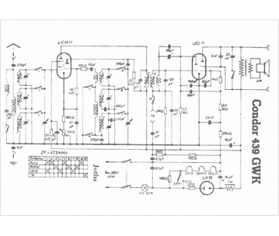
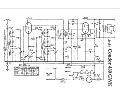
Marque :
Jotha
Modèle :
Condor 439 GWK
Type appareil :
récepteur à tubes
Pays d'origine :
Allemagne
