
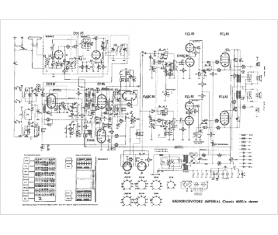
Marque :
Jmperial
Modèle :
6090 A
Type appareil :
récepteur à tubes
Pays d'origine :
Italie
