
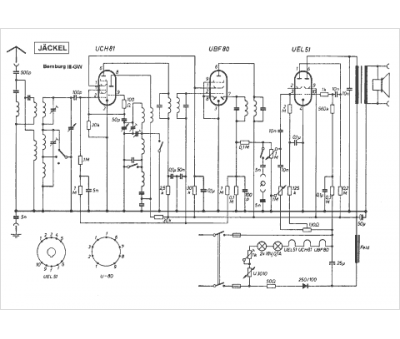
Marque :
Jackel
Modèle :
Bernburg III GW
Type appareil :
récepteur à tubes
Pays d'origine :
Allemagne
