
Marque :
J - O
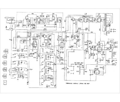
Modèle :
Orion AR 602
Type appareil :
récepteur à tubes
Pays d'origine :
Pologne, ex-U.R.S.S.
