
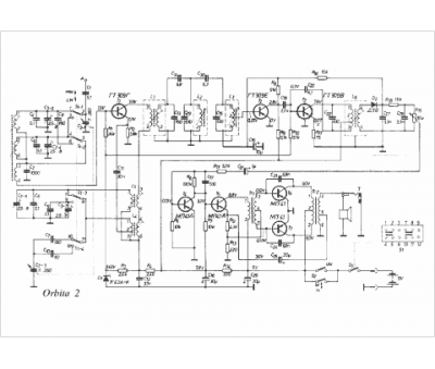
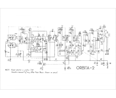
Marque :
J - O
Modèle :
Orbita 2
Type appareil :
récepteur à transistors
Pays d'origine :
Pologne, ex-U.R.S.S.
