
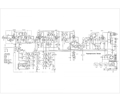
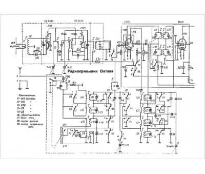
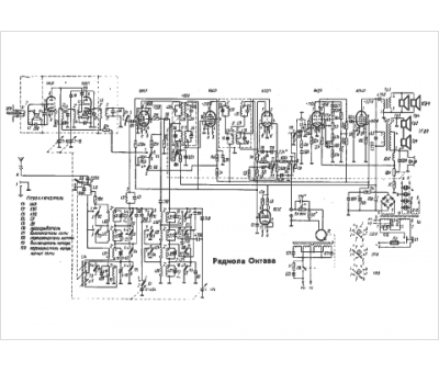
Marque :
J - O
Modèle :
Oktava
Type appareil :
récepteur à tubes
Pays d'origine :
ex-U.R.S.S.
