
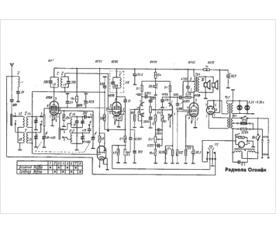
Marque :
J - O
Modèle :
Ogoniek
Type appareil :
récepteur à tubes
Pays d'origine :
ex-U.R.S.S.
