
Marque :
J - O
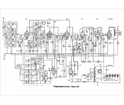
Modèle :
Neva-48
Type appareil :
récepteur à tubes
Pays d'origine :
ex-U.R.S.S.
