
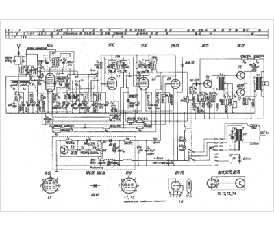
Marque :
J - O
Modèle :
Malwa
Type appareil :
récepteur à tubes
Pays d'origine :
Pologne, ex-U.R.S.S.
