
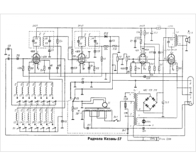
Marque :
J - O
Modèle :
Kazan 57
Type appareil :
radio tourne-disque à tubes
Pays d'origine :
ex-U.R.S.S.
