
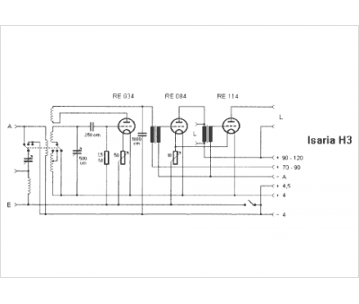
Marque :
Isaria
Modèle :
H 3
Type appareil :
récepteur à tubes
Pays d'origine :
Allemagne
