
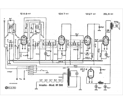
Marque :
Irradio
Modèle :
IR 500
Type appareil :
récepteur à tubes
Pays d'origine :
Italie
