
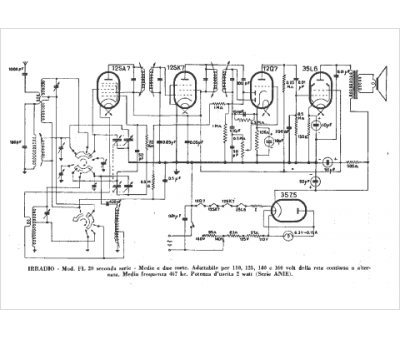
Marque :
Irradio
Modèle :
FL 20
Type appareil :
récepteur à tubes
Pays d'origine :
Italie
