
Marque :
Irradio
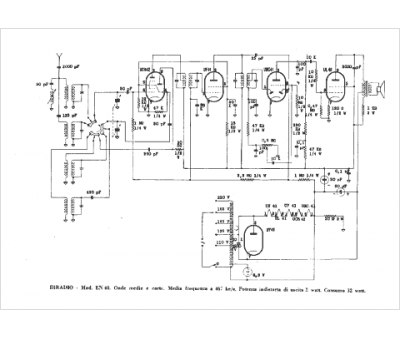
Modèle :
EN 40
Type appareil :
récepteur à tubes
Pays d'origine :
Italie
