
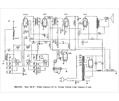
Marque :
Irradio
Modèle :
EK 48
Type appareil :
récepteur à tubes
Pays d'origine :
Italie
