
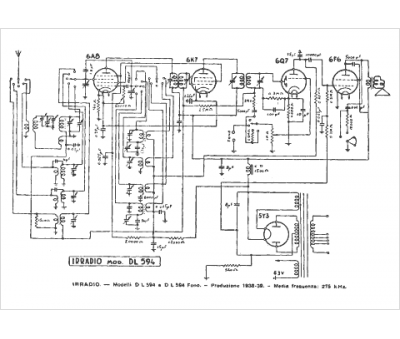
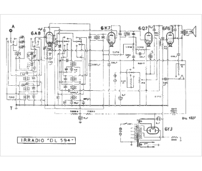
Marque :
Irradio
Modèle :
DL 594
Type appareil :
récepteur à tubes
Pays d'origine :
Italie
