
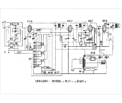
Marque :
Irradio
Modèle :
D 57
Type appareil :
récepteur à tubes
Pays d'origine :
Italie
