
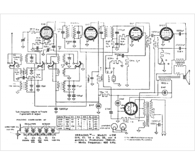
Marque :
Irradio
Modèle :
CM 514
Type appareil :
récepteur à tubes
Pays d'origine :
Italie
