
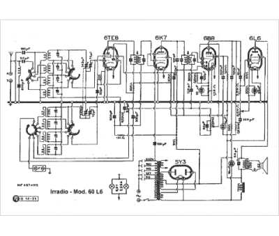
Marque :
Irradio
Modèle :
60 L6
Type appareil :
récepteur à tubes
Pays d'origine :
Italie
