
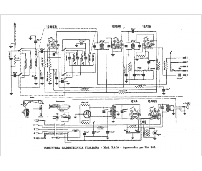
Marque :
IRI
Modèle :
RA 10
Type appareil :
récepteur à tubes
Pays d'origine :
Italie
