
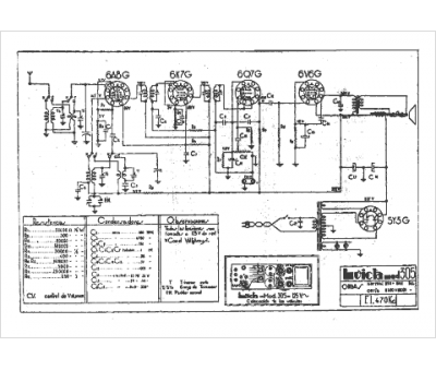
Marque :
Invicta
Modèle :
305
Type appareil :
récepteur à tubes
Pays d'origine :
Grande-Bretagne
