
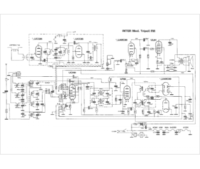
Marque :
Inter
Modèle :
Tripoli
Type appareil :
récepteur à tubes
Pays d'origine :
Espagne
