
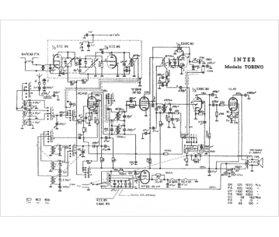
Marque :
Inter
Modèle :
Torino
Type appareil :
récepteur à tubes
Pays d'origine :
Espagne
