
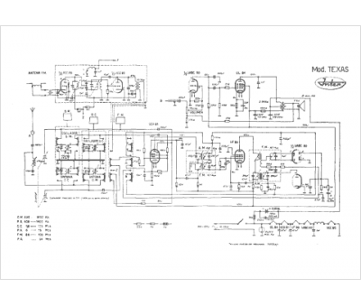
Marque :
Inter
Modèle :
Texas
Type appareil :
récepteur à tubes
Pays d'origine :
Espagne
