
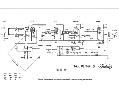
Marque :
Inter
Modèle :
Berna B
Type appareil :
récepteur à tubes
Pays d'origine :
Espagne
