
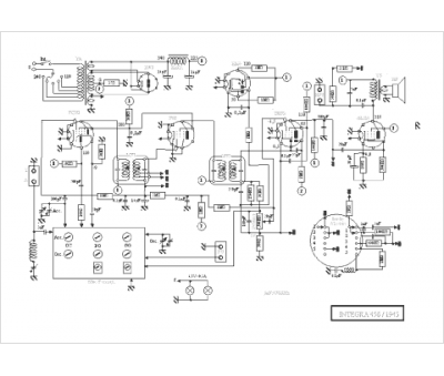
Marque :
Integra
Modèle :
456
Type appareil :
récepteur à tubes
Pays d'origine :
France
