
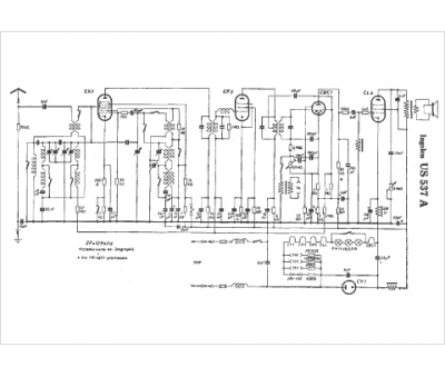
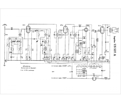
Marque :
Ingelen
Modèle :
US 537 A
Type appareil :
récepteur à tubes
Pays d'origine :
Autriche, Allemagne
