
Marque :
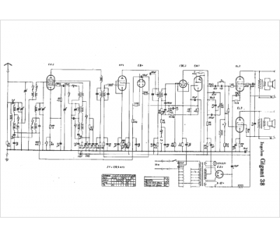
Ingelen
Modèle :
Gigant 38
Type appareil :
récepteur à tubes
Pays d'origine :
Autriche, Allemagne
