
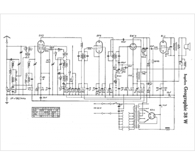
Marque :
Ingelen
Modèle :
Geographic 38 W
Type appareil :
récepteur à tubes
Pays d'origine :
Autriche, Allemagne
