
Marque :
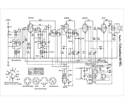
Ingelen
Modèle :
Colombus 50 WL
Type appareil :
récepteur à tubes
Pays d'origine :
Autriche, Allemagne
