
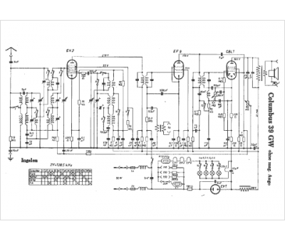
Marque :
Ingelen
Modèle :
Colombus 39 GW 2
Type appareil :
récepteur à tubes
Pays d'origine :
Autriche, Allemagne
