
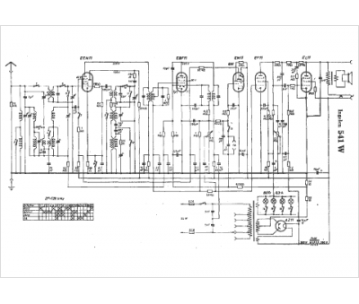
Marque :
Ingelen
Modèle :
541 W
Type appareil :
récepteur à tubes
Pays d'origine :
Autriche, Allemagne
