
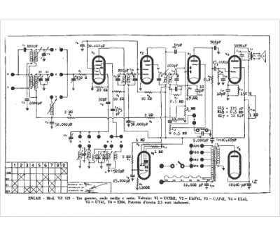
Marque :
INCAR
Modèle :
VZ 519
Type appareil :
récepteur à tubes
Pays d'origine :
Italie
