
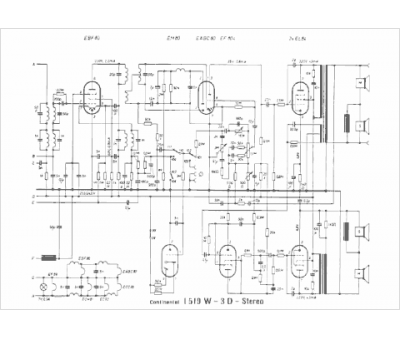
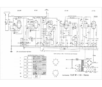
Marque :
Imperial
Modèle :
Continental I 519 W
Type appareil :
récepteur à tubes
Pays d'origine :
Allemagne
