
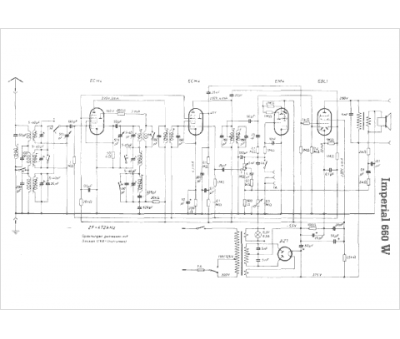
Marque :
Imperial
Modèle :
660 W
Type appareil :
récepteur à tubes
Pays d'origine :
Allemagne
