
Marque :
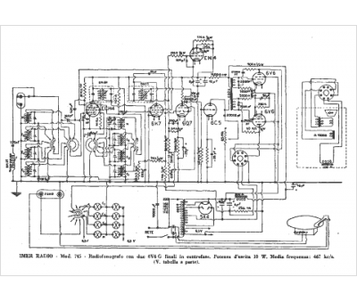
IMER
Modèle :
745
Type appareil :
récepteur à tubes
Pays d'origine :
Italie
